珠海一贝科技有限公司
首页
Home
关于我们
Nav
产品展示
Nav
新闻动态
Nav
联系我们
Nav
AZBIL
ESTEK
DASS
辰竹
更多品牌
热线电话
188-1864-9909
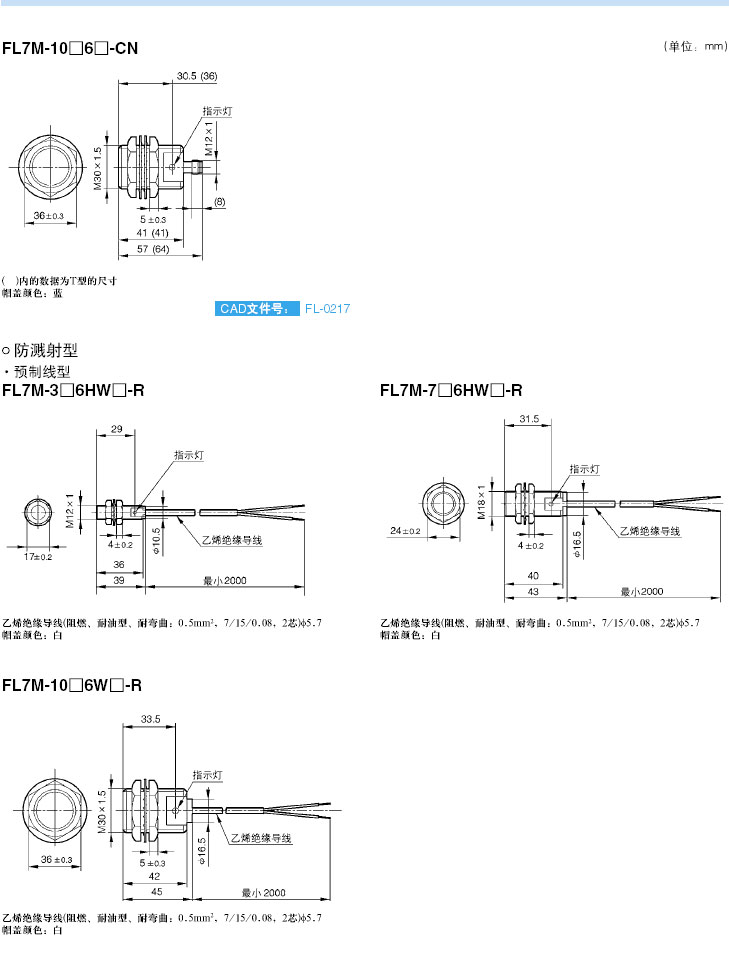
接近开关FL7M
上一个
下一个
产品详情
地
址:广东省珠海市
香洲区拱北九洲大道西1043号5栋6A房
联系电话:18818649909
邮箱:beikanghua@ebeikeji.com