珠海一贝科技有限公司

热线电话

188-1864-9909

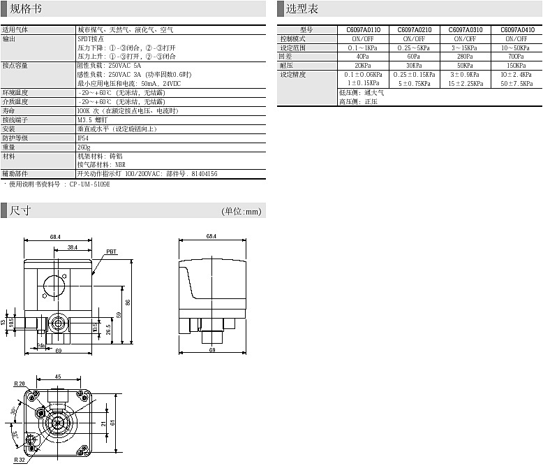
压力开关C6097A

产品详情

      C6097A气体压力开关用于测量城市煤气、天然气、液化气及空气等气体的压力。
气压开关根据用户的设定点执行ON/OFF动作,以控制外部电器设备。此开关广泛用于测量燃烧系统中的燃料气和空气的上下限,或作为燃烧允许运行的连锁点。


址:广东省珠海市香洲区拱北九洲大道西1043号5栋6A房
联系电话:18818649909
邮箱:beikanghua@ebeikeji.com