珠海一贝科技有限公司

热线电话

188-1864-9909

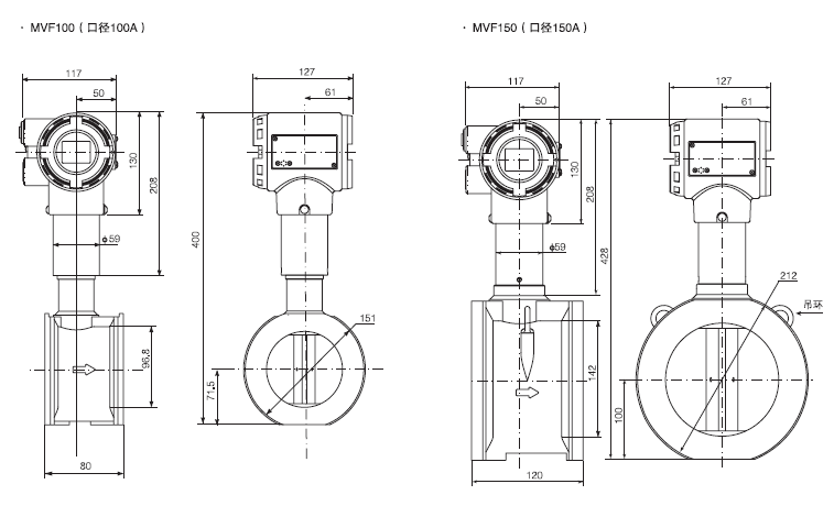
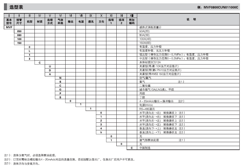
感热式涡街流量计MVF

产品详情

       MVF是一种测量流体振荡的涡街流量计,MVF使用了高灵敏度、高响应速度的微流量传感器来测量旋涡频率,它具有很宽的测量范围,其量程比可达100:1。该仪表内置温度、压力补偿单元,无需额外采购其它设备。

址:广东省珠海市香洲区拱北九洲大道西1043号5栋6A房
联系电话:18818649909
邮箱:beikanghua@ebeikeji.com