珠海一贝科技有限公司

热线电话

188-1864-9909

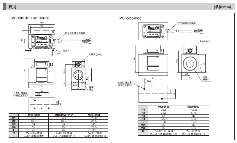
空气流量计MCF

产品详情

       MCF是专门用于测量空气和氮气的气体质量流量计。使用我公司独立研发的感热式微流量传感器芯片。MCF的测量量程比为50:1,其测量精度为+/-3%FS。具有正向和反向计算流量的功能。在流量为标准量程2倍时,可进行测量,测量精度在+/-10%rdg范围内。

址:广东省珠海市香洲区拱北九洲大道西1043号5栋6A房
联系电话:18818649909
邮箱:beikanghua@ebeikeji.com